Articles
Click on the icon with the 3 dots to have more options for each item.

Replaces art. no. 500.791.01.1
| Art. no. | 500.262.01.1 |
| Colour / surface | white |
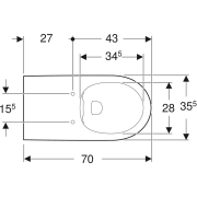
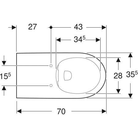
| B | 35.5 cm |
Additional information
- Depending on the installation type, a Geberit connection set for wall-hung WC, length 30 cm is required for mounting
















