Articles
Cliquez sur lʼicône avec les 3 points afin d’obtenir plus dʼoptions pour chaque article.

Remplace le n° de réf. 109.210.00.1
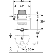
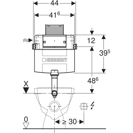
| N° de réf. | 109.050.00.1 |
| B | 44 cm |
| H | 39.5 cm |
Informations complémentaires
- Plaque de déclenchement à commander en supplément








