Articles
Click on the icon with the 3 dots to have more options for each item.

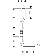
| Art. no. | 118.100.11.1 |
| Colour / surface | white alpine |
| d, ø | 50 mm |
My list (0)
Click on the icon with the 3 dots to have more options for each item.

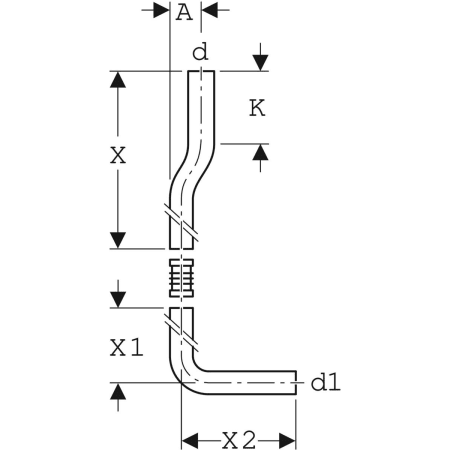
| Art. no. | 118.100.11.1 |
| Colour / surface | white alpine |
| d, ø | 50 mm |
Product material PVC |
Product material PVC |
Click on an application purpose to search more products
Flush bend 90°
Pipe strap
Compensation pad
Damming device